Motoren der KAVAN PRO-Serie sind leistungsstarke 14-polige bürstenlose Außenläufer. Hochmodernes Design, gehärtete Stahlwellen, hochwertige Kugellager, hochwertiges Material für Statoren und Rotoren sorgen für eine lange Lebensdauer und einer unschlagbaren Leistung und hoher Effizienz. Die Motoren der KAVAN PRO-Serie sind Elektromotoren mit vergleichsweiser niedriger Drehzahl und hohem Drehmoment, die in der Lage sind, Propeller mit großem Durchmesser zu nutzen, ohne dass ein Getriebe erforderlich ist.
KAVAN PRO 3536-1150 ist ein Motor für Modellflugzeuge bis 1700 g Gesamtgewicht, der mit einem 3-4S LiPo-Akku betrieben wird. Er eignet sich hervorragend für 2000 mm Elektrosegler, 1200-1400 mm Hochdecker wie Trainer, Scale- und/oder Kunstflugmodelle.
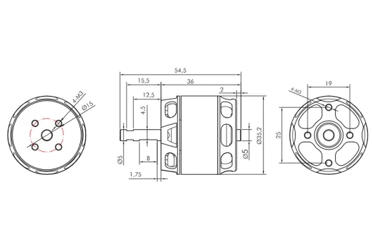
KAVAN 3536-1150 wurde sowohl für die Front- als auch für die Radialmontage entwickelt. Frontmontage: Verwenden Sie vier M3-Schrauben; diese dürfen nicht tiefer als 3-4 mm in das Frontgehäuse eintauchen. Radiale Montage: Verwenden Sie vier M3-Schrauben, um das Montagekreuz an dem Motorspant zu befestigen. Der Motorspant sollte aus 4,0 mm Sperrholz bestehen. Das radiale Montageset wird mit dem Motor geliefert.
Artikelnummer: KAV30.2019
